英威騰作為進軍起重行業的第一個國內自主品牌,擁有全面覆蓋港口起重、工廠起重、建筑起重等細分市場主流機型的解決方案。
2008年至今,已在港機、鋼鐵、起重、礦山、建筑等行業成功應用35000余臺,并為振華重工、太原重工、中信重工、江漢建機、衛華集團等標桿主機廠配套。其中負載類型涵蓋了RTG/RMG/STS、裝船機、卸船機、堆取料機、門吊、橋吊、浮吊、門座式起重機、塔吊、施工升降機、豎井提升機等。
本期我們精選幾個英威騰工廠起重細分市場和智慧港口電氣傳動解決方案做深入講解。
英威騰工廠起重細分市場電氣傳動解決方案
歐式起重機解決方案
1.1方案簡介
歐式起重機變頻調速解決方案提供起升機構GD350-19閉環矢量控制方式,大、小車機構GD20-09開環矢量控制方式,保證起升機構低速滿載不溜鉤,大、小車機構平滑起制動;電氣制動推薦常用的電阻能耗制動方式,還可以提供共直流母線加能量回饋方案。物聯網在歐式起重機解決方案的引入,可以實現起重設備的遠程控制、位置監控、故障報警等精細化遠程設備管理。
1.2方案優勢
1.安全性高
可靠的抱閘、接觸器控制時序,專用的起重機控制功能,保證起重機安全、可靠運行。
2.簡單、易用
集成多種起重機專用功能,可以簡化設計,提高現場調試效率;
3.獨具特色的應用配置
S端子支持交流/直流48V輸入,支持PT100溫度測量,0.75-110KW全系列標配內置制動單元;
4.體積小,維護性高
小體積、高功率密度,為客戶節省安裝空間;獨立風道設計、風扇可獨立拆裝,便于維護;
5.物聯網
起重機運行數據自動采集、遠程管理、主動報警、遠程升級等精細化遠程管理;

英威騰智慧港口電氣傳動解決方案
1. 岸橋電氣傳動系統方案
1.1方案簡介
港口集裝箱碼頭前沿主力岸橋設備-岸邊集裝箱起重機(STS)主流的變頻調速傳動方案是采用PWM整流器的共直流母線傳動方式,這種傳動方式代表了交流變頻調速技術的最高端應用。STS的起升、俯仰、大車、小車等機構的GD800逆變器的直流電源由前級的GD800型PWM整流回饋單元提供,它能夠實現能量的雙向流動,即可為電動機提供能量,又可以把處于發電制動狀態的電動機的回饋能量直接向碼頭的供電系統回饋,并且具有功率因數高、諧波極低的突出優點。對于起升機構兩臺電動機拖動需要功率平衡的控制要求,GD800變頻器提供主從控制功率平衡功能。
1.2電氣傳動及控制系統
岸橋電氣系統由傳動和控制兩部分組成:傳動部分主要由整流單元、變頻逆變器和交流變頻電機組成;控制部分由PLC、工業總線Profibus-DP和Ethernet組成。岸橋主要傳動機構由起升、大車、小車、俯仰機構等組成,各機構均采用交流變頻方式驅動。起升機構和大車機構共用兩個GD800系列800KW逆變器,小車機構和俯仰機構共用一個GD800系列400KW逆變器。

整流與逆變控制拓撲
1.3方案優勢
專門為港口及起重行業的特殊要求設計,系統擁有良好的兼容性和穩定性,極高的安全可靠性
基于主流的Profibus-DP的傳動控制網絡,網絡化快速通訊輕松接駁上層自動化系統
基于Goodrive800變頻器和整流回饋單元組成的共直流母線解決方案,能量雙向流動,降低能耗, 低諧波
標配STO/SS1/SLS/SBC等更為全面的高端安全功能,確保起重機械的高安全性
采用模塊化技術開發,可提供靈活的組柜方案,縮短安裝和調試時間
整機模塊并聯功率擴展技術,系統功率易于擴展,同功率單元可相互替換降低備件需求
專業的本地支持團隊,預防性維護服務確保系統的高可用性
2.自動化碼頭AGV電氣傳動方案
2.1方案簡介
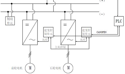
AGV作為全自動化碼頭水平運輸系統中小而精的重要設備,在某種程度上卻是全自動化碼頭成敗與否的重要制約因素。自動化導引小車(AGV)其特點是無人駕駛,通過遠程控制,能夠沿預定路線自動行駛,來回裝卸貨物。振華重工研發制造的AGV采用全鋰電池供電,并采用機會充電方式給電池補電,綠色環保實現設備的無限循環作業,具備低耗能、低污染、低噪音、低維護成本的優點。
2.2電氣傳動及控制系統
AGV的基本原理是由鋰電池組供電,整個車子由兩臺逆變器采用下垂控制共同驅動,一臺驅動前輪,另一臺驅動后輪。兩臺逆變器采用主從控制,主機采用速度控制,從機為轉矩控制,通過設定一定的下垂頻率,達到功率平衡。車上配置有PLC,PLC通過Canopen通訊控制GD800逆變器。


